1985 BMW 3 series E30 repair manual pdf

Complete 1985 BMW 3 Series E30 Repair Manual PDF

Embark on a journey of automotive mastery with our comprehensive 1985 BMW 3 Series E30 Repair Manual in PDF format. Tailored for enthusiasts, DIYers, and professional mechanics, this digital guide unlocks the full potential of your iconic E30 model.

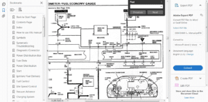
Inside, discover a wealth of knowledge with detailed technical information, step-by-step repair procedures, and visual diagrams that cover every aspect of your vehicle. Troubleshoot with ease using our expert tips, and navigate the electrical system seamlessly with clear explanations and wiring diagrams.

From routine maintenance to intricate repairs, this manual serves as your trusted companion, ensuring you have the tools and knowledge to keep your 1985 BMW 3 Series E30 in peak condition. The PDF format allows convenient access across multiple devices, making it the perfect resource for reference in your garage or workshop.

Download now and empower yourself with the expertise needed to maintain, repair, and elevate the performance of your classic BMW. Drive with confidence – drive the E30 experience.

Shopping Cart
Scroll to Top